Cải tạo tủ điều khiển máy cắt

Sáng kiến cải tạo tủ điều khiển 3 máy cắt Recloser HEAG của Xưởng Sửa chữa- Thí nghiệm thuộc Công ty Ðiện lực Bắc Ninh (PC Bắc Ninh) đã mang lại hiệu quả không chỉ cho ngành Điện, mà còn cho cả khách hàng sử dụng điện.

1. Giải pháp kỹ thuật:
 
Các máy cắt RECLOSER HEAG được trang bị tủ điều khiển kiểu HYC461 có chức năng bảo vệ quá dòng. Do cấu hình của các rơ le của thiết bị này thấp, nên trong quá trình vận hành không đảm bảo độ chính xác và ổn định. Kết quả là, nhiều lần rơ le hoạt động không chính xác.Ngoài ra, các rơ le này không có khả năng tương thích với hệ thống điều khiển, giám sát từ xa nên không thể thực hiện kết nối với hệ thống mini SCADA của Công ty.   
 
Vì vậy, để đảm bảo các máy cắt này vận hành ổn định với độ nhậy, độ chính xác cao, đồng thời thực hiện được chức năng kết nối với hệ thống SCADA, cần phải đưa tủ điều khiển ra nước ngoài sửa chữa, nâng cấp rơ le hoặc thay thế toàn bộ máy cắt mới cùng tủ điều khiển mới với rơ le cấu hình cao và có tích hợp chức năng SCADA. Việc  này đòi hỏi chi phí rất lớn.
 
Trước thực trạng đó, nhóm cán bộ Xưởng Sửa chữa- Thí nghiệm thuộc Công ty Điện lực Bắc Ninh đã nghiên cứu, cải tạo tủ điều khiển 3 máy cắt Recloser HEAG của Trung Quốc phù hợp với hệ thống SCADA.
 
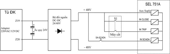
Giải pháp kĩ thuật được lựa chọn là: Sử dụng rơ le SEL751A thu hồi từ các thiết bị cũ, cải tạo lại mạch nhị thứ điện tử và cài đặt lại phần mềm cho phù hợp với máy cắt và hệ thống giám sát từ xa. Rơ le SEL751A là loại rơ le đời mới sử dụng nguồn nuôi và nguồn cấp cho đầu vào nhị phân (Binery Input) là 48 VDC, nên phải xử lý cải tạo cho phù hợp với máy cắt Recloser HEAG có nguồn điều khiển 24 VDC bằng cách: Phần mạch điều khiển đóng cắt và mạch động cơ căng cót của máy cắt được chuyển đổi sử dụng đúng nguồn 24 VDC. 
Sơ đồ mạch điều khiển máy cắt Recloser HEAG trước khi cải tạo
Mạch bảo vệ của rơ le SEL751A được cấp nguồn 48 VDC thông qua bộ biến đổi điện áp DC-DC 24/48 V (bộ biến đổi này sẽ chuyển đổi điện áp ắc quy 24 VDC lên thành 48 VDC). Các đầu ra OUT1 và OUT2 của rơ le SEL751A được đưa ra để thực hiện lệnh đóng, tắt máy cắt. Mặt khác rơ le SEL751A này đã tích hợp chức năng kết nối SCADA. Khi thực hiện cải tạo và xử lý xong sẽ kiểm tra, thí nghiệm các chức năng bảo vệ, điều khiển đóng cắt của máy cắt theo cataloge của nhà chế tạo. Như vậy,  các máy cắt HEAG-24 kV sẽ trở lại vận hành với đầy đủ các tính năng kỹ thuật phù hợp với hệ thống SCADA.
 
Trong quá trình thực hiện giải pháp này, cần lưu ý: Các thiết bị trước khi đưa vào cải tạo cần  phải được kiểm tra thí nghiệm, mạch đấu dây phải chắc chắn đảm bảo đúng tiêu chuẩn kỹ thuật. Các thiết bị phải được lắp đặt, bảo quản đúng chế độ, không được để nhiễm ẩm.
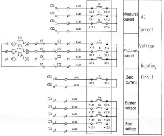
Sơ đồ mạch dòng điện nhị thứ của máy cắt HEAG-24kV trước cải tạo
Mạch  dòng điện nhị thứ  máy cắt sau cải tạo
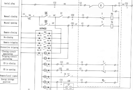
Mạch điều khiển máy cắt sau cải tạo
Mạch bộ đổi nguồn DC-DC 24/48V và mạch nhị phân rơ le SEL751A 
2. Hiệu quả của sáng kiến:
 
- Về mặt kỹ thuật: Việc xử lý, cải tạo tủ điều khiển, bảo vệ của 3 máy cắt Recloser HEAG-24kV đảm bảo đưa vào vận hành kịp thời và đúng quy định kỹ thuật của máy cắt, đáp ứng được các quy định của hệ thống lưới điện thông minh. Ngoài ra, giải pháp này còn có ý nghĩa  trong việc phân tích sự cố lưới, theo dõi được phụ tải từ xa, nâng cao độ ổn định cung cấp điện cho phụ tải.
 
-  Về mặt kinh tế: Do cắt có chọn lọc, nên số lượng khách hàng mất điện do sự cố giảm. Mặt khác, nếu thay tủ điều khiển mới phải đặt hàng từ nước ngoài, vốn đầu tư lớn, chưa kể thời gian chờ đợi lâu. “Nếu mua 3 máy cắt mới (nhập khẩu từ Trung Quốc) phải đầu tư hơn 1 tỷ đồng, nhưng khi chúng tôi nghiên cứu và cải tạo, chi phí chỉ hết 19 triệu đồng”, anh Bình - Trưởng Nhóm nghiên cứu cho biết.
 
Sáng kiến này không chỉ đem lợi cho PC Bắc Ninh, mà còn mang lại lợi ích thiết thực với khách hàng sử dụng điện: Khi đường dây điện xảy ra sự cố thoáng qua, hoặc quá tải đột ngột thì hệ thống điều khiển của máy cắt sẽ tự động cắt điện từ 3-5 giây và tự động cấp điện trở lại, không gây gián đoạn cấp điện cho khách hàng. Còn nếu vẫn xảy ra sự cố nguy hiểm, hệ điều hành thiết bị điện tử sẽ tự động cắt điện và khoá chốt an toàn, báo tín hiệu về trung tâm. 

  • 27/04/2016 08:39
  • EVN