Là vùng trũng phía hạ du Nhà máy Thủy điện Thác Mơ, người dân Thôn An Lương (xã An Lương, huyện Bù Gia Mập, tỉnh Bình Phước), thường xuyên dùng xuồng, ghe đánh bắt thủy sản trên dòng Sông Bé để mưu sinh. Khi nhà máy vận hành phát điện, lưu lượng dòng chảy tăng đột biến, dòng sông trở nên bất thường, có khả năng gây ảnh hưởng xấu đến các xuồng, ghe đang hoạt động ở dòng sông.
Nhằm góp phần đảm bảo an toàn cho người dân mưu sinh ở vùng hạ du, tháng 6/2018, Lãnh đạo Công ty đã chỉ đạo lực lượng kỹ thuật thiết kế hệ thống cảnh báo, bằng tin nhắn SMS điều khiển phát thanh, còi hụ…khi chạy máy hoặc khi xả lũ, nhằm thông báo, cảnh báo cho người dân vủng hạ du biết để thực hiện các biện pháp an toàn… Tuy nhiên, việc soạn tin nhắn (bằng tay) mỗi khi chạy máy phát điện H1, H2 là rất bất tiện, bởi trong thời gian chạy máy các nhân viên trong ca vận hành phải tập trung theo dõi tổ máy khởi động an toàn.

Sơ đồ hệ thống cảnh báo khu vực Thôn An Lương trước khi áp dụng giải pháp
Trước nhu cầu thiết kế một hệ thống cảnh báo thông minh, thực hiện tốt chức năng cảnh báo cho vùng hạ du nhanh chóng và kịp thời khi vận hành máy phát điện, đồng thời giảm bớt áp lực công việc cho ca trực đương phiên; lực lượng kỹ thuật TMP nghiên cứu chức năng gửi tin nhắn của thiết bị Dataloger (thiết bị truyền tín hiệu Qcm về Cục Quản lý Tài nguyên Nước), lập trình thêm chức năng gửi tin nhắn tự động đến trạm cảnh báo An Lương (khi lưu lượng chạy máy lớn hơn 30 m3/s)

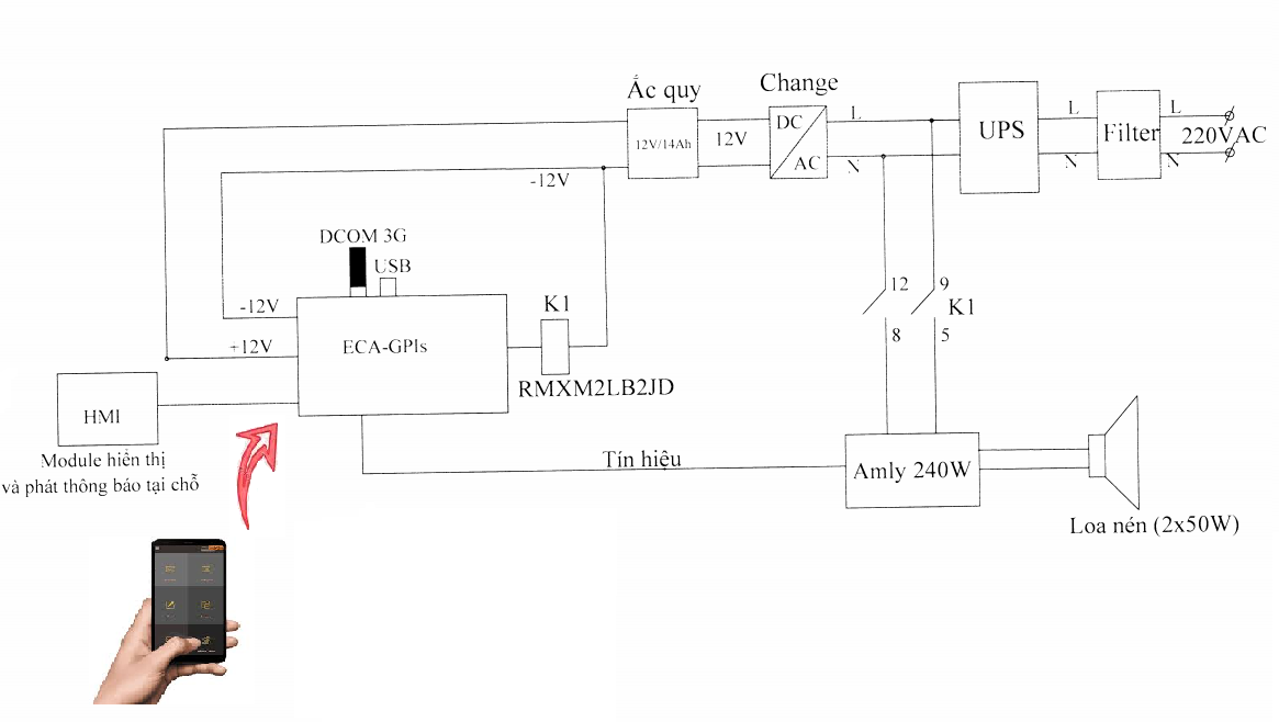
Sơ đồ hệ thống cảnh báo khu vực Thôn An Lương sau khi áp dụng giải pháp
Khai thác tính năng của thiết bị Dataloger, hệ thống cảnh báo cho vùng hạ du nhà máy thủy điện hoạt động chính xác, nhanh chóng, cảnh báo cho người dân địa phương biết lưu lượng dòng chảy đang gia tăng, âm thanh cảnh báo đã góp phần nâng cao ý thức của người dân địa phương, không chủ quan khi lao động, giảm thiểu những tai nạn đáng tiếc khi mưu sinh trên sông, góp phần đảm bảo an sinh cho người dân địa phương. Từ tháng 10/2021 đến nay, hệ thống cảnh báo ứng dụng số hóa đáp ứng đúng theo quy định của pháp luật, đồng thời vận hành ổn định và tin cậy, giảm bớt việc nhắn tin bằng tay do điều hành viên thực hiện, đặc biệt là loại bỏ hoàn toàn các trường hợp quên hoặc nhắn tin khi quá muộn!
Với cấu trúc hiện tại, việc số hóa hệ thống cảnh báo lưu lượng gia tăng đã giảm bớt công việc cho ca vận hành đương phiên; trong tương lai, TMP sẽ tiếp tục nghiên cứu mở rộng liên kết với các thiết bị Dataloger để truyền dữ liệu khác, mang lại hiệu quả cao hơn, và đảm bảo an toàn trong quá trình sản xuất điện./.